Hauptmerkmale
| ● Betriebsfrequenzbereich 45–1000 MHz |
| ● 33 dB Verstärkung max |
| ● Geringes Rauschen: 3,5 pA / √Hz Äquivalenter Eingangsrauschstrom (EINC) |
| ● Linearität: -68 dBc CSO und -70 dBc CTB bei +78 dBuV HF-Ausgang pro Kanal (60 PAL-D-Kanäle DS22) |
| ● Hoher dynamischer Verstärkungsbereich, 32 dB Verstärkungsregelbereich |
| ● Geringer Stromverbrauch, 210 mA für einen HF-Ausgang bei 5 V Versorgungsspannung |
|
● 0–3 V AGC-Steuerspannung |
|
● Unterstützt eine Einzelversorgung mit einem optischen Bereich von -10 dBm bis +2 dBm |
|
● Geringer Stromverbrauch, 110 mA für einen HF-Ausgang bei 12 V Versorgungsspannung |
|
● Bleifreies/RoHS-konformes QFN4X4-24L-Gehäuse |
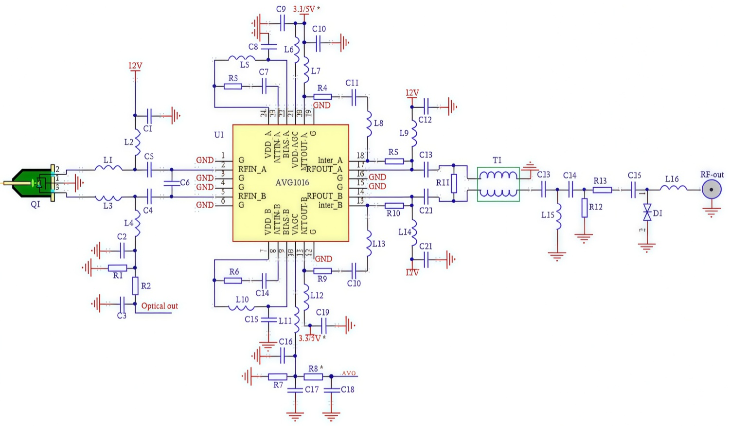
Verstärker mit variabler Verstärkung AVG1016
Der AVG1016 von Sanland ist ein Verstärker mit variabler Verstärkung Spannungsgesteuertes Dämpfungsglied. Der Verstärker ist hoch Linearität und geringes Rauschen werden durch die Verwendung von 0,5 µm erreicht GaAs E-pHEMT-Prozess. Es ist in einer Miniatur 4,0 x untergebracht 4,0-mm-24-Pin-Quad-Flat-Non-Lead-Gehäuse (QFN). Es ist Entwickelt für den optimalen Einsatz von 45 MHz bis 1000 MHz. Die kompakte Stellfläche und das niedrige Profil gepaart mit hoher Verstärkung und hohe Linearität machen den AVG1018 zur idealen Wahl als Verstärker für CATV-Netzwerke und FTTH-Netzwerke.

| Typ | Stromabwärts |
| Frequenz Min(GHz) | 0,05 |
| Frequenz Max (GHz) | 1,0 |
| Verstärkung (dB) | 32 dB |
| CSO(dBc) | -68 |
| CTB(dBc) | -70 |
| NF(dB) | 1.5 |
| Spannung (V) | 12V |
| Strom (mA) | 110 |
| Pakettyp | QFN |
| RoHS | Ja |
| Bleifrei | Ja |
| Halogenfrei | Ja oder nein |
